
![]() |
|||||||||||||||||||||||||||||||||||||||||||||||||||||||||||||||||||||||||||||||||||||||||||||||||||||||||||||||||||||||||||||||
|
Bitmap
可選材料
丁晴橡膠 -20~80℃
橡膠復合材料 -20~120℃
1.性能與用途
Y-QZ8 型氣缸密封件是汽缸活塞用和閥門用的一種唇形密封件。
2.主要優(yōu)點
安裝溝槽小,密封性能好;
由于有保持潤滑膜的最佳密封唇口的幾何形狀,因而運行非常平穩(wěn);
結構小,因而靜、動摩擦都很低; 適用于干燥空氣和無油空氣中,裝配時的初次潤滑對較長工作壽命起著重要作用;唇形密封結構保證著應有的功能;易于裝入密封溝槽中;還適用于有緩沖作用的氣缸。
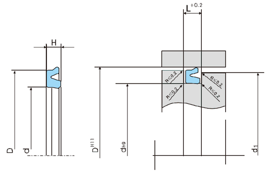
單位:mm
|
|||||||||||||||||||||||||||||||||||||||||||||||||||||||||||||||||||||||||||||||||||||||||||||||||||||||||||||||||||||||||||||||
